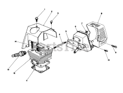
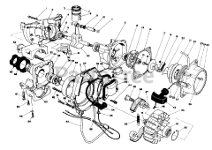
51645 (TC 5000) - Toro String Trimmer (SN: 006000001 - 006999999) (1986) Parts & Diagrams Parts Lists & Diagrams

String Trimmer