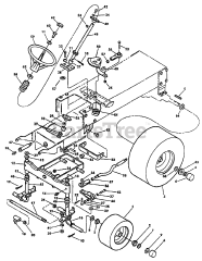
52144 A (RE 8E) - Lawn-Boy 30" Rear-Engine Riding Mower (SN: L00000001 - L99999999) (1992) Parts & Diagrams Parts Lists & Diagrams

30" Rear-Engine Riding Mower

52144 A (RE 8E) - Lawn-Boy 30" Rear-Engine Riding Mower (SN: L00000001 - L99999999) (1992) > Parts Diagrams (43)