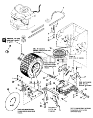
5216 (1691072) - Simplicity Lawn Tractor, 16hp Parts & Diagrams Parts Lists & Diagrams

Lawn Tractor, 16hp