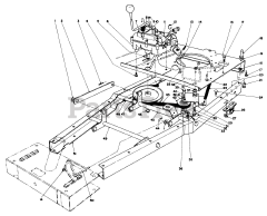
56006 - Toro 25" Premium Rear-Engine Riding Mower (SN: 006000001 - 006999999) (1976) Parts & Diagrams Parts Lists & Diagrams

25" Premium Rear-Engine Riding Mower