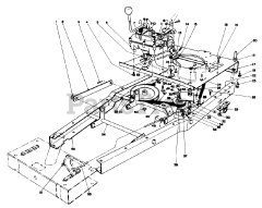
56006 - Toro 25" Premium Rear-Engine Riding Mower (SN: 009000001 - 009999999) (1979) Parts & Diagrams Parts Lists & Diagrams

25" Premium Rear-Engine Riding Mower