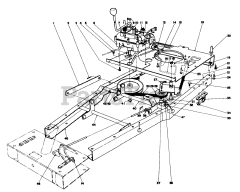
56022 - Toro 25" Premium Rear-Engine Riding Mower (SN: 005000001 - 005999999) (1975) Parts & Diagrams Parts Lists & Diagrams

25" Premium Rear-Engine Riding Mower