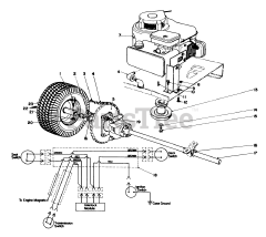
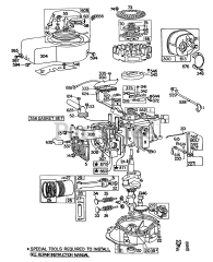
56080 - Toro 25" Whirlwind Premium Riding Mower (SN: 001000001 - 001999999) (1981) Parts & Diagrams Parts Lists & Diagrams

25" Whirlwind Premium Riding Mower