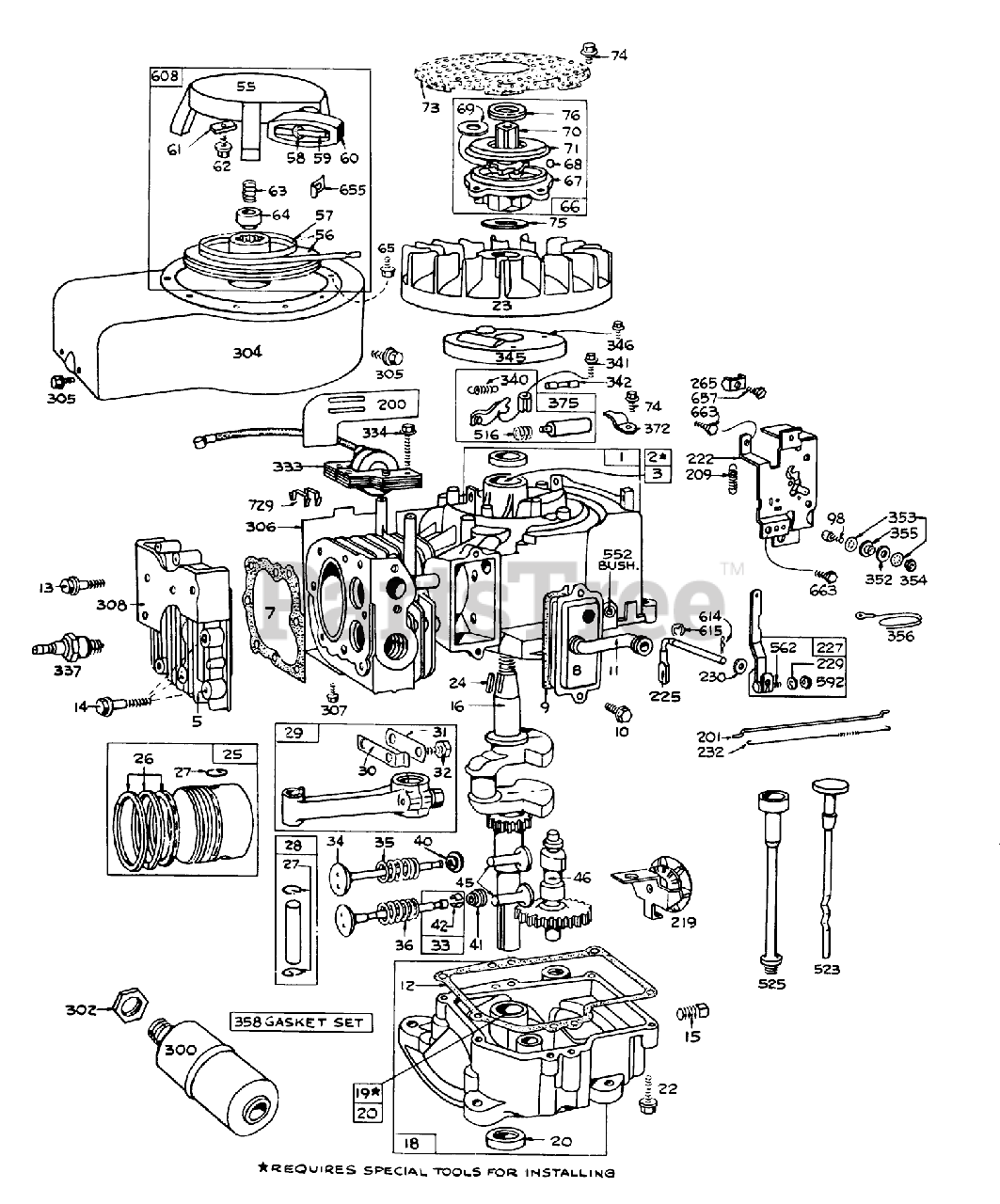
56108 - Toro 32" Sportsman Rear-Engine Riding Mower, Recoil (SN: 003000001 - 003999999) (1973) Engine Briggs Stratton Model No. 170702-1203 Parts Diagram

32" Sportsman Rear-Engine Riding Mower, Recoil

Engine Briggs Stratton Model No. 170702-1203 Parts Diagram

  • Title
1

Toro 390380

Cylinder Assembly

$

$

Currently unavailable

2

Toro 295962

Bushing-Cylinder

$

$

Currently unavailable

3

Toro 294606

Seal-Oil

$

$

Currently unavailable

5

Toro 211592

Head-CyIinder

$

$

Currently unavailable

7

Toro 270430

Gasket-Cylinder Hd.

Note: Included in Gasket Set-Part No. 299577

$

$

Currently unavailable

8

Toro 299848

Breather Assembly

$

$

Currently unavailable

9

Toro 27803

Gasket-Breather

$

$

Currently unavailable

10

Toro 93536

Screw

$

$

Currently unavailable

11

Toro 280005

Grommet

$

$

Currently unavailable

Toro 170700

Series type Nos. 0510 and up.

$

$

Currently unavailable

12

Toro 27750

Gasket-Crankcase Cover 1/64" Thick

Note: Included in Gasket Set-Part No. 299577

$

$

Currently unavailable

Toro 27876

Gasket-Crankcase (.005" Thick)

Note: Included in Gasket Set-Part No. 299577

$

$

Currently unavailable

Toro 27877

33154A,55A,60A W/FO

Note: Included in Gasket Set-Part No. 299577

$3.23

$

Usually ships in 3-6 days

0

13

Toro 93210

Screw-Cylinder Head

$

$

Currently unavailable

14

Toro 93211

Screw-Cylinder Head

$

$

Currently unavailable

15

Toro 91084

Plug-Pipe

$

$

Currently unavailable

16

Toro 260609

Crankshaft

$

$

Currently unavailable

18

Toro 298616

Sump-Oil

$

$

Currently unavailable

19

Toro 295963

Bushing

$

$

Currently unavailable

20

Toro 298423

Seal-OiI

$

$

Currently unavailable

22

Toro 93585

Screw-Sem

$

$

Currently unavailable

23

Toro 298260

Flywheel

$

$

Currently unavailable

24

Toro 61760

Key Flywheel

$

$

Currently unavailable

25

Toro 299573

Piston Assembly-Std.

$

$

Currently unavailable

Toro 299566

Piston Assy.-.010" O.S.

$

$

Currently unavailable

Toro 299567

Piston Assy.-.020" O.S.

$

$

Currently unavailable

Toro 299568

Piston Assembly .030" O.S. PISTON RING SETS: Note: For Chrome Piston Ring Set-std. size-order Part No. 299743.

$

$

Currently unavailable

26

Toro 299569

Ring Set-Piston-Std. Consists of:

$

$

Currently unavailable

Toro 299570

Yoke Bushing

$

$

Currently unavailable

Toro 299571

Ring Set-Piston-.020" O.S. Consists of:

$

$

Currently unavailable

Toro 299572

Ring Set-Piston-.030" O.S. Consists of:

$

$

Currently unavailable

27

Toro 68546

Lock-Piston Pin

$

$

Currently unavailable

28

Toro 295840

Assembly-Piston-Std

$

$

Currently unavailable

Toro 295841

Pin-Piston (.005" O.S.)

$

$

Currently unavailable

29

Toro 295839

Rod Assy.-Connecting

$

$

Currently unavailable

30

Toro 221725

Dipper-Conn. Rod

$

$

Currently unavailable

31

Toro 220811

Lock-Conn. Rod Screw

$

$

Not available

32

Toro 92659

Screw Conn. Rod

$

$

Currently unavailable

33

Toro 390419

Valve-Exhaust

$

$

Currently unavailable

34

Toro 261055

VaIve-Intake

$

$

Currently unavailable

35

Toro 65906

Spring-Valve

$

$

Currently unavailable

36

Toro 26828

Spring-Valve

$

$

Currently unavailable

40

Toro 221596

Retainer-Valve

$

$

Currently unavailable

41

Toro 292260

Retainer-Valve

$

$

Currently unavailable

42

Toro 93630

Retainer-Rotocoil

$

$

Currently unavailable

45

Toro 260933

Tappet-Valve

$

$

Currently unavailable

46

Toro 210728

Gear-Cam

$

$

Currently unavailable

55

Toro 295272

Housing-Rewind Starter

$

$

Currently unavailable

56

Toro 295871

Pulley-Rewind

$

$

Currently unavailable

57

Toro 294303

Spring-Rewind

$

$

Currently unavailable

58

Toro 66564

Rope-Rewind Starter

$

$

Currently unavailable

59

Toro 230228

Pin-Starter Grip

$

$

Currently unavailable

60

Toro 66728

See Supercession: 742562
(Superseded to 742562)

$

$

Not available

61

Toro 68848

Bumper-Starter Pulley

$

$

Currently unavailable

62

Toro 93254

Screw-Pulley Bumper Mtg.

$

$

Currently unavailable

63

Toro 260414

Spring

$

$

Currently unavailable

64

Toro 230543

Adapter

$

$

Currently unavailable

65

Toro 93106

Screw-Rewind Starter Housing Mounting

$

$

Currently unavailable

66

Toro 298798

Clutch Assy.-Rewind Starter

$

$

Currently unavailable

67

Toro 211383

Housing

$

$

Currently unavailable

68

Toro 63770

Ball

$

$

Currently unavailable

69

Toro 66718

Washer-Thrust

$

$

Currently unavailable

70

Toro 298799

Ratchet

$

$

Currently unavailable

71

Toro 221653

Washer

$

$

Currently unavailable

73

Toro 221796

Screen

$

$

Currently unavailable

74

Toro 93042

Screw

$

$

Currently unavailable

75

Toro 220865

Washer

$

$

Currently unavailable

76

Toro 68238

Washer

$

$

Currently unavailable

200

Toro 221760

Guide-Air

$

$

Not available

201

Toro 260971

Link-Govemor

$

$

Currently unavailable

209

Toro 261129

Spring-Governor

$

$

Currently unavailable

219

Toro 298614

Oil Slinger, Gov. Gear and Bracket Assembly

$

$

Currently unavailable

222

Toro 390662

Plate-Gov. Control

$

$

Currently unavailable

225

Toro 230759

Shaft-Gov Lever

$

$

Not available

227

Toro 298303

Lever Assy.-Governor

$

$

Currently unavailable

229

Toro 220680

Washer

$

$

Currently unavailable

230

Toro 221559

Clamp-Casing

$

$

Currently unavailable

232

Toro 260584

Spring-Governor Link

$

$

Currently unavailable

265

Toro 221535

Clamp-Casing

$

$

Currently unavailable

300

Toro 294599

Muffler-Exhaust

$

$

Currently unavailable

302

Toro 91242

Locknut-Muffler

$

$

Currently unavailable

305

Toro 93158

Screw

$

$

Currently unavailable

306

Toro 221898

Screw-Cylinder

$

$

Currently unavailable

307

Toro 93163

Screw

$

$

Currently unavailable

308

Toro 221901

Cover-Cylinder Head

$

$

Currently unavailable

333

Toro 298968

Armature Assembly

$

$

Currently unavailable

334

Toro 93381

Screw

$

$

Currently unavailable

337

Toro 298809

Plug Spark

$

$

Currently unavailable

340

Toro 26018

Spring Breaker Arm

$

$

Currently unavailable

341

Toro 93381

Screw

$

$

Currently unavailable

342

Toro 65704

Plunger

$

$

Currently unavailable

345

Toro 222117

Cover-Breaker Point

$

$

Currently unavailable

346

Toro 93014

Screw

$

$

Currently unavailable

352

Toro 66068

Washer-Insulating

$

$

Currently unavailable

353

Toro 92791

Washer-Lock

$

$

Currently unavailable

354

$

$

Currently unavailable

355

Toro 66554

Collar-Insulating

$

$

Currently unavailable

356

Toro 299500

Wire-Ground

$

$

Currently unavailable

358

Toro 299577

Gasket Set

$

$

Currently unavailable

372

Toro 220477

Camp-Condenser

$

$

Currently unavailable

375

$

$

Currently unavailable

516

Toro 260374

Spring Connector

$

$

Currently unavailable

523

Toro 390212

Cap and Dipstick-Oil Filler

$

$

Currently unavailable

525

Toro 390217

Tube-Oil Filler

$

$

Currently unavailable

552

Toro 230927

Bushing-Governor Shaft

$

$

Currently unavailable

562

Toro 92613

Bolt

$

$

Currently unavailable

592

$

$

Currently unavailable

608

Toro 295001

Starter Assy, Rewind

$

$

Currently unavailable

614

Toro 93306

Pin-Cotter

$

$

Currently unavailable

615

Toro 93307

Retainer-Ring

$

$

Currently unavailable

655

Toro 221014

Anchor Spring

$

$

Currently unavailable

657

Toro 93496

Screw

$

$

Currently unavailable

729

Toro 221907

CIip-Wire

$

$

Currently unavailable