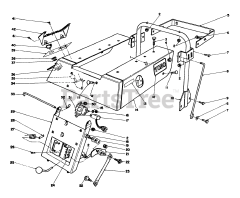
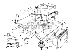
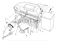
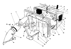
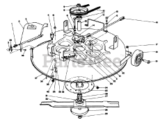
56123 (8-25) - Toro Rear-Engine Riding Mower (SN: 000000001 - 000999999) (1990) Parts & Diagrams Parts Lists & Diagrams

Rear-Engine Riding Mower