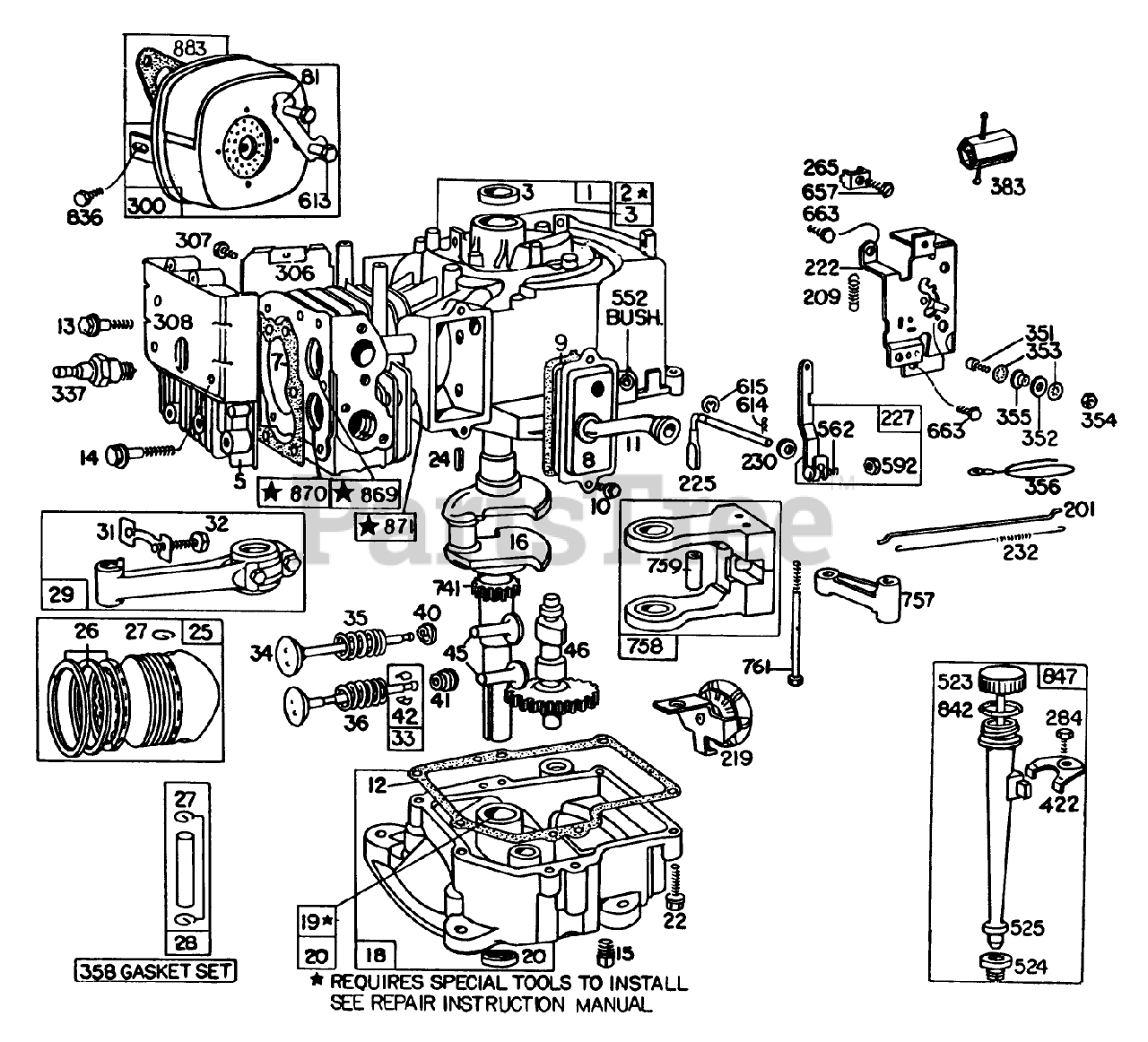
56138 (8-32) - Toro Rear-Engine Riding Mower (SN: 004000001 - 004999999) (1984) Engine Briggs Stratton Model No. 191702-2133-01 Parts Diagram

Rear-Engine Riding Mower

Engine Briggs Stratton Model No. 191702-2133-01 Parts Diagram

  • Title
1

Toro 396269

Assembly-Cylinder

$

$

Currently unavailable

2

Toro 391726

Bushing Cylinder Note: Requires Special Tools for Installation

$

$

Currently unavailable

3

Toro 294606

Seal-Oil

$

$

Currently unavailable

5

Toro 212286

Head-Cylinder

$

$

Currently unavailable

7

Toro 270430

Gasket-Cylinder Hd.

Note: Included in Gasket Set-Part No. 299577.

$

$

Currently unavailable

8

Toro 299848

Breather Assembly

$

$

Currently unavailable

9

Toro 27803

Gasket-Breather

Note: Included in Gasket Set-Part No. 299577.

$

$

Currently unavailable

10

Toro 93394

Screw

$

$

Currently unavailable

11

Toro 280005

Grommet

$

$

Currently unavailable

12

Toro 27750

Gasket-Crankcase Cover 1/64" Thick

Note: Included in Gasket Set-Part No. 299577.

$

$

Currently unavailable

Toro 27876

Gasket-Crankcase (.005" Thick)

Note: Included in Gasket Set-Part No. 299577.

$

$

Currently unavailable

Toro 27877

33154A,55A,60A W/FO

Note: Included in Gasket Set-Part No. 299577.

$3.23

$

Usually ships in 3-6 days

0

13

Toro 93211

Screw-Cylinder Head

$

$

Currently unavailable

14

Toro 93723

Screw-Cylinder Head

$

$

Currently unavailable

15

Toro 91084

Plug-Pipe

$

$

Currently unavailable

16

Toro 390370

Crankshaft

$

$

Currently unavailable

18

Toro 392548

Base-Oil

$

$

Currently unavailable

19

Toro 295963

Bushing

$

$

Currently unavailable

20

Toro 391086

Seal-Oil

$

$

Currently unavailable

22

Toro 93585

Screw-Sem

$

$

Currently unavailable

24

$

$

Currently unavailable

25

Toro 391673

Piston Assy.-Std.

$

$

Currently unavailable

Toro 391674

Piston Assy.-.010" OS.

$

$

Currently unavailable

Toro 391675

Piston Assy.-.020" OS.

$

$

Currently unavailable

Toro 391676

Piston Assembly

$

$

Currently unavailable

26

Toro 391669

Ring Piston-Std.

$

$

Currently unavailable

Toro 391670

Ring Set (.010" O.S.)

$

$

Currently unavailable

Toro 391671

Ring Set (.020" O.S.)

$

$

Currently unavailable

Toro 391672

Ring Set (.030" O.S.)

$

$

Currently unavailable

27

Toro 68546

Lock-Piston Pin

$

$

Currently unavailable

28

Toro 295840

Assembly-Piston-Std

$

$

Currently unavailable

Toro 295841

Pin-Piston (.005" O.S.)

$

$

Currently unavailable

29

Toro 390402

Rod-Connecting

$

$

Currently unavailable

31

Toro 222114

Lock-Conn. Rod Screw

$

$

Currently unavailable

32

Toro 92659

Screw Conn. Rod

$

$

Currently unavailable

33

Toro 390419

Valve-Exhaust

$

$

Currently unavailable

34

Toro 261055

VaIve-Intake

$

$

Currently unavailable

35

Toro 65906

Spring-Valve

$

$

Currently unavailable

36

Toro 26828

Spring-Valve

$

$

Currently unavailable

40

Toro 221596

Retainer-Valve

$

$

Currently unavailable

41

Toro 292260

Retainer-Valve

$

$

Currently unavailable

42

Toro 93630

Retainer-Rotocoil

$

$

Currently unavailable

45

Toro 260933

Tappet-Valve

$

$

Currently unavailable

46

Toro 211689

Gear-Cam

$

$

Currently unavailable

81

Toro 922263

Lock-Screw

$

$

Currently unavailable

201

Toro 260971

Link-Govemor

$

$

Currently unavailable

209

Toro 260871

Spring-Governor

$

$

Currently unavailable

219

Toro 392718

Oil Slinger, Gov. Gear Bracket Assembly

$

$

Currently unavailable

222

Toro 390662

Plate-Gov. Control

$

$

Currently unavailable

225

Toro 231058

Crank-Governor

$

$

Currently unavailable

227

Toro 391733

Lever Assy.-Governor

$

$

Currently unavailable

230

Toro 222450

DISCONTINUE-DESA

$

$

Not available

232

Toro 260584

Spring-Governor Link

$

$

Currently unavailable

265

Toro 221535

Clamp-Casing

$

$

Currently unavailable

284

Toro 93804

Screw

$

$

Currently unavailable

300

Toro 391313

Muffler-Exhaust

$

$

Currently unavailable

306

Toro 222830

Shield-Cylinder

$

$

Currently unavailable

307

Toro 93163

Screw

$

$

Currently unavailable

308

Toro 222636

Cover-Cylinder Head

$

$

Not available

337

Toro 293918

Plug-Spark

$

$

Currently unavailable

351

Toro 93735

Screw-Terminal

$

$

Currently unavailable

352

Toro 66068

Washer-Insulating

$

$

Currently unavailable

353

Toro 92791

Washer-Lock

$

$

Currently unavailable

354

$

$

Currently unavailable

355

Toro 66554

Collar-Insulating

$

$

Currently unavailable

356

Toro 299500

Wire-Ground

$

$

Currently unavailable

358

Toro 299577

Gasket Set

$

$

Currently unavailable

383

Toro 89838

Wrench-Plug, Spark

$

$

Currently unavailable

422

Toro 222502

Clamp-Oil Filler Tube

$

$

Currently unavailable

523

Toro 391840

Cap with Dipstick

$

$

Currently unavailable

524

Toro 68838

Seal-Fill Tube

$

$

Currently unavailable

525

Toro 280133

Tube-Oil Fill

$

$

Currently unavailable

552

Toro 231055

Bushing-Gov. Crank
(Superseded to 743457)

$

$

Not available

562

Toro 92613

Bolt

$

$

Currently unavailable

592

Toro 231082

Nut (Governor Control Lever)

$

$

Currently unavailable

613

Toro 93704

Capscrew

$

$

Currently unavailable

614

Toro 93306

Pin-Cotter

$

$

Currently unavailable

615

Toro 93307

Retainer-Ring

$

$

Currently unavailable

657

Toro 93496

Screw

$

$

Currently unavailable

663

Toro 93572

Screw

$

$

Currently unavailable

741

Toro 261195

Gear-Timing

$

$

Currently unavailable

757

Toro 212359

Link-Counterweight

$

$

Currently unavailable

758

Toro 390172

Counterweight

$

$

Currently unavailable

759

Toro 298909

Pin Ass-y-Piston

$

$

Currently unavailable

761

Toro 93874

Screw-Counterweight

$

$

Currently unavailable

836

Toro 93559

Screw

$

$

Currently unavailable

842

Toro 270920

O-Ring

$

$

Currently unavailable

847

Toro 392066

Fill Group-Oil

$

$

Currently unavailable

869

Toro 211661

Seat-Ex. Valve

$

$

Currently unavailable

870

Toro 211661

Seat-Ex. Valve

$

$

Currently unavailable

871

Guide-Exhaust Valve-231218 or 230655 See Repair Manual

$

$

Not available

883

Toro 270918

Gasket-Exhaust

$

$

Currently unavailable

Toro 392195

Spark Arrestor Muffler (Includes Deflector and 4 Mounting Screws)

Note: Indicates items included in spark arrestor Part no. 392195.

$

$

Currently unavailable