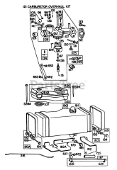
56138 (8-32) - Toro Rear-Engine Riding Mower (SN: 005000001 - 005999999) (1985) Parts & Diagrams Parts Lists & Diagrams

Rear-Engine Riding Mower