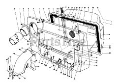
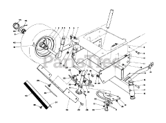
56150 (8-32) - Toro Professional Rear-Engine Riding Mower (SN: 009000001 - 009999999) (1989) Parts & Diagrams Parts Lists & Diagrams

Professional Rear-Engine Riding Mower