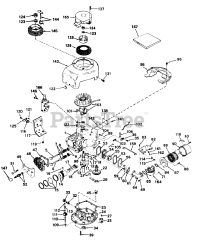
57025 - Toro 25" Side-Discharge Mower Deck (SN: 002000001 - 002999999) (1972) Parts & Diagrams Parts Lists & Diagrams

25" Side-Discharge Mower Deck