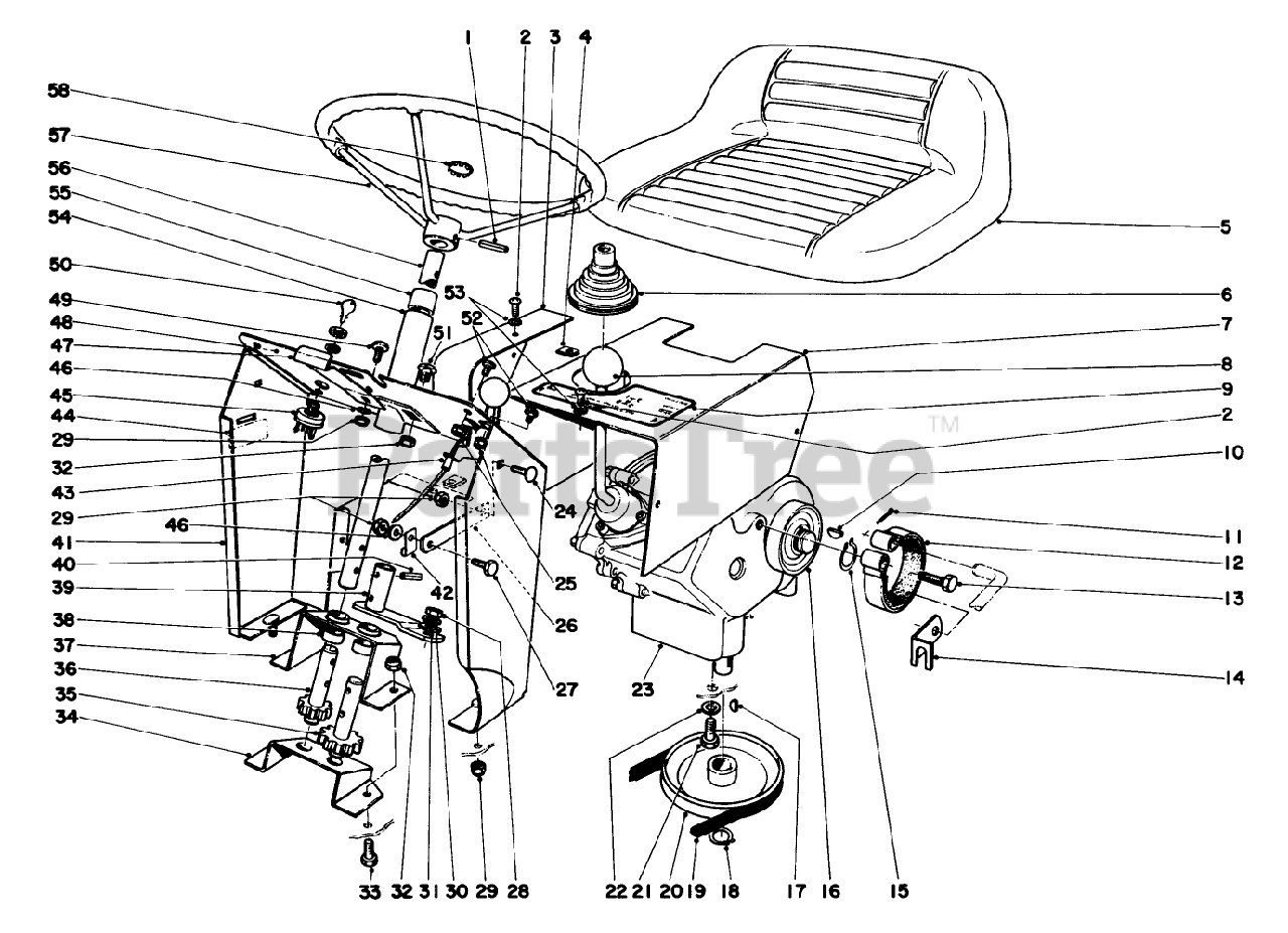
57077 - Toro 25" Lawn Tractor (SN: 001000001 - 001999999) (1971) Steering And Transmission Assembly Parts Diagram

25" Lawn Tractor

Steering And Transmission Assembly Parts Diagram

  • Title
1

Toro 32121-15

PIN-ROLL

$1.99

$

In Stock, Qty 20+

0

2

Toro 3290-111

DISCONTINUED

$

$

Not available

3

Toro 7-3873

DISCONTINUED

$

$

Not available

4

Toro 3290-191

NUT-CLIP,U

$6.99

$

Usually ships in 3-6 days

0

5

$

$

Currently unavailable

6

Toro 7-3893

DISCONTINUED OBS

$

$

Not available

7

Toro 7-3784

Cover Transmission

$

$

Currently unavailable

8

$14.99

$

Usually ships in 3-6 days

0

9

Toro 7-8130

Decal Model 57111

$

$

Currently unavailable

Toro 7-8140

Decal Model 57222

Note: Not illustrated

$

$

Currently unavailable

10

Toro 3257-5

KEY-WOODRUFF

$5.99

$

In Stock, Qty 14

0

11

Toro 3272-6

PIN-COTTER

$0.99

$

In Stock, Qty 20+

0

12

Toro 7-6340

DISCONTINUED

$

$

Not available

13

Toro 32104-28

DISCONTINUED

$

$

Not available

14

Toro 7-6300

Retainer Brake Rod

$

$

Currently unavailable

15

Toro 32120-72

RING-SNAP

$2.49

$

In Stock, Qty 11

0

16

Toro 7-3785

Brake Drum

$

$

Currently unavailable

17

Toro 3257-32

KEY-WOODRUFF

$2.99

$

In Stock, Qty 10

0

18

Toro 32120-64

RING-SNAP, EXTERNAL

$3.99

$

In Stock, Qty 20+

0

19

Toro 7-3890

TRANS TO ENGINE BELT

$

$

Not available

20

Toro 7-4085

PULLEY

$204.99

$

In Stock, only 2 left!

0

21

Toro 322-2

SCREW-HH

$2.99

$

In Stock, Qty 20+

0

22

Toro 3253-24

WASHER-LOCK/SP

$

$

Not available

23

Toro 7-3708

Transmission

$

$

Currently unavailable

24

Toro 3229-22

See Supercession: 3229-11
(Superseded to 3229-11)

$1.49

$

In Stock, Qty 15

0

25

Toro 32149-7

NUT-KEPS

$0.99

$

In Stock, Qty 20+

0

26

Toro 7-6710

Hanger Throttle Control

$

$

Currently unavailable

27

Toro 321-2

SCREW-HH

$3.99

$

In Stock, only 3 left!

0

28

Toro 3219-3

NUT-HEX

$1.99

$

In Stock, Qty 13

0

29

Toro 32152-4

NUT-LOCK, CONE

$1.49

$

In Stock, Qty 6

0

30

Toro 3253-21

WASHER-LOCK

$0.99

$

In Stock, only 4 left!

0

31

Toro 3256-4

WASHER-FLAT

$1.99

$

In Stock, Qty 20+

0

32

Toro 32152-1

NUT-LOCK, CONE

$1.99

$

Usually ships in 3-6 days

0

33

Toro 322-3

SCREW-HH

$0.99

$

In Stock, Qty 20+

0

34

Toro 7-3710

DISCONTINUED OBS

$

$

Not available

35

Toro 7-3733

Steering Gear

$

$

Currently unavailable

36

Toro 7-3734

Pinion Gear

$

$

Currently unavailable

37

Toro 7-3711

Support Steering

$

$

Currently unavailable

38

Toro 7-3747

DISCONTINUED

$

$

Not available

39

Toro 7-3883

Steering Arm

$

$

Currently unavailable

40

Toro 32121-4

PIN-ROLL, SLOTTED

$3.99

$

Usually ships in 3-6 days

0

41

Toro 7-4940

Rear Hood Support (Recoil)

$

$

Currently unavailable

Toro 7-4810

Rear Hood Support (Electric)

Note: Not illustrated

$

$

Currently unavailable

42

Toro 7-0077

DISCONTINUED

$

$

Not available

43

Toro 7-3746

Throttle Control

$

$

Currently unavailable

44

Toro 7-6930

Decal Warning Model 57077

$

$

Currently unavailable

45

Toro 7-5240

DISCONTINUED

$

$

Not available

46

Toro 3256-22

WASHER-FLAT

$0.99

$

In Stock, Qty 20+

0

47

Toro 7-5080

Hood Latch

$

$

Currently unavailable

48

Toro 7-8420

Decal Dash Model 57043

$

$

Currently unavailable

Toro 7-8410

Decal Dash Model 57077

Note: Not illustrated

$

$

Currently unavailable

49

Toro 3229-22

See Supercession: 3229-11
(Superseded to 3229-11)

$1.49

$

In Stock, Qty 15

0

50

Toro 218-412

See Supercession: 62-7770
(Superseded to 62-7770)

$5.49

$

In Stock, Qty 9

0

51

Toro 3258-158

Round Head Screw

$

$

Currently unavailable

52

Toro 3251-2

SCREW-PPH

$0.99

$

In Stock, Qty 5

0

53

Toro 3255-17

WASHER-LOCK, EXT

$0.99

$

Usually ships in 3-6 days

0

54

Toro 7-3725

Steering Tube Assy.

$

$

Currently unavailable

55

Toro 256-167

DISCONTINUED

$

$

Not available

56

Toro 7-3723

Shaft Steering

$

$

Currently unavailable

57

Toro 7-3722

Steering Wheel

$

$

Currently unavailable

58

$

$

Currently unavailable