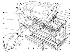
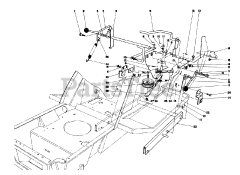
57300 (8-32) - Toro Lawn Tractor (SN: 001000001 - 001999999) (1981) Parts & Diagrams Parts Lists & Diagrams

Lawn Tractor