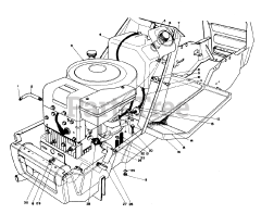
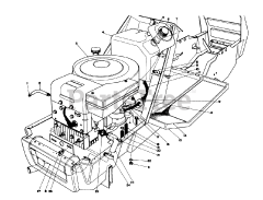
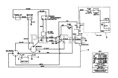
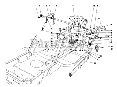
57360 (11-32) - Toro Lawn Tractor (SN: 002000001 - 002999999) (1982) Parts & Diagrams Parts Lists & Diagrams

Lawn Tractor