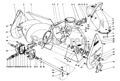
57360 (11-32) - Toro Lawn Tractor (SN: 006000001 - 006999999) (1986) Parts & Diagrams Parts Lists & Diagrams

Lawn Tractor