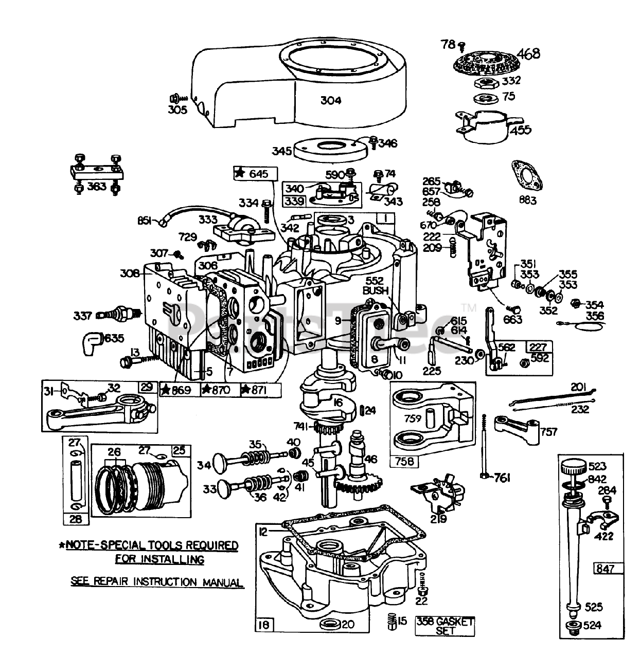
57385 - Toro Lawn Tractor, 11hp (SN: 001000001 - 001999999) (1981) Engine Briggs Stratton Model 252707-0223-01, Engine Briggs Stratton Model 252707-0177-01 Parts Diagram

Lawn Tractor, 11hp

Engine Briggs Stratton Model 252707-0223-01, Engine Briggs Stratton Model 252707-0177-01 Parts Diagram

  • Title
1

Toro 393409

Cylinder Assembly

$

$

Currently unavailable

3

Toro 391086

Seal-Oil

$

$

Currently unavailable

5

Toro 212300

Head-Cylinder

$

$

Currently unavailable

7

Toro 271075

Gasket-Cylinder Hd.

Note: Included in Gasket Set-Part No. 393411.

$

$

Currently unavailable

8

Toro 391406

Assembly-Breather

$

$

Currently unavailable

9

Toro 27803

Gasket-Breather

Note: Included in Gasket Set-Part No. 393411.

$

$

Currently unavailable

10

Toro 93394

Screw

$

$

Currently unavailable

11

Toro 280100

Tube-Breather

$

$

Currently unavailable

12

Toro 270808

Gasket-Crankcase Cover-1/64"thick

Note: Included in Gasket Set-Part No. 393411.

$

$

Currently unavailable

Toro 270915

Gasket-Cover .005"

Note: Included in Gasket Set-Part No. 393411.

$

$

Currently unavailable

Toro 270916

Gasket-Cover .009"

Note: Included in Gasket Set-Part No. 393411.

$

$

Currently unavailable

13

Toro 93723

Screw-Cylinder Head

$

$

Currently unavailable

Toro 22963

Washer

$

$

Currently unavailable

15

Toro 91084

Plug-Pipe

$

$

Currently unavailable

16

Toro 391265

Crankshaft

$

$

Currently unavailable

18

Toro 391784

Sump Oil

$

$

Currently unavailable

20

Toro 291675

Seal-Oil

$

$

Currently unavailable

22

Toro 93585

Screw-Sem

$

$

Currently unavailable

24

Toro 61760

Key Flywheel

$

$

Currently unavailable

25

Toro 391285

Assembly-Standard

$

$

Currently unavailable

Toro 391287

Piston Assy.-.010" O.S.

$

$

Currently unavailable

Toro 391288

Piston Assy.-.020" O.S.

$

$

Currently unavailable

Toro 391289

Piston Assy.-.030" O.S.

$

$

Currently unavailable

26

Toro 391780

Ring Set (Std.)

$

$

Currently unavailable

Toro 391781

Ring Set (.010 O.S.)

$

$

Currently unavailable

Toro 391782

Ring Set (.020 O.S.)

$

$

Currently unavailable

Toro 391783

Ring Set (.030" O.S.)

$

$

Currently unavailable

27

Toro 260924

Lock-Piston Pin

$

$

Currently unavailable

28

Toro 299691

Pin-Piston (Std.)

$

$

Currently unavailable

Toro 391286

Pin-Piston (.005" OS.)

$

$

Currently unavailable

29

Toro 391775

Rod Assy.-Connecting

$

$

Currently unavailable

31

Toro 222299

Lock-Screw
(Superseded to 147567)

$

$

Not available

32

Toro 92909

Screw-Conn. Rod

$

$

Currently unavailable

33

Toro 261185

Valve-Exhaust

$

$

Currently unavailable

34

Toro 261462

Valve-Intake

$

$

Currently unavailable

35

Toro 65906

Spring-Valve

$

$

Currently unavailable

36

Toro 26828

Spring-Valve

$

$

Currently unavailable

40

Toro 221596

Retainer-Valve

$

$

Currently unavailable

41

Toro 292260

Retainer-Valve

$

$

Currently unavailable

42

Toro 93630

Retainer-Rotocoil

$

$

Currently unavailable

45

Toro 261183

Tappet Valve

$

$

Currently unavailable

46

Toro 212296

Gear-Cam
(Superseded to 705771)

$

$

Not available

74

Toro 93042

Screw

$

$

Currently unavailable

75

Toro 220865

Washer

$

$

Currently unavailable

78

Toro 93808

Screw

$

$

Currently unavailable

201

Toro 261198

Link-Govemor

$

$

Currently unavailable

209

Toro 261306

Spring-Gov.

$

$

Currently unavailable

219

Toro 391764

Oil Slinger, Gov. Gear Bracket Assembly

$

$

Currently unavailable

222

Toro 390662

Plate-Gov. Control

$

$

Currently unavailable

225

Toro 231058

Crank-Governor

$

$

Currently unavailable

227

Toro 391733

Lever Assy.-Governor

$

$

Currently unavailable

230

Toro 222450

DISCONTINUE-DESA

$

$

Not available

232

Toro 261197

Spring-Governor Link

$

$

Currently unavailable

258

Toro 93686

Screw-Hex Head

$

$

Currently unavailable

265

Toro 221535

Clamp-Casing

$

$

Currently unavailable

284

Toro 93804

Screw

$

$

Currently unavailable

304

Toro 391556

Housing-Blower

$

$

Currently unavailable

305

Toro 93158

Screw

$

$

Currently unavailable

306

Toro 222744

Shield-Cylinder

$

$

Currently unavailable

307

Toro 93163

Screw

$

$

Currently unavailable

308

Toro 222725

Cover-Cylinder Head

$

$

Currently unavailable

332

$

$

Currently unavailable

333

Toro 298968

Armature Assembly

$

$

Currently unavailable

334

Toro 93381

Screw

$

$

Currently unavailable

337

Toro 293918

Plug-Spark

$

$

Currently unavailable

339

Toro 391284

Breaker Assy.-Ignition

$

$

Currently unavailable

340

Toro 26018

Spring Breaker Arm

$

$

Currently unavailable

342

Toro 65704

Plunger

$

$

Currently unavailable

343

Toro 391792

Condenser

$

$

Currently unavailable

345

Toro 222309

Cover-Breaker Point

$

$

Currently unavailable

346

Toro 93014

Screw

$

$

Currently unavailable

351

Toro 93735

Screw-Terminal

$

$

Currently unavailable

352

Toro 66068

Washer-Insulating

$

$

Currently unavailable

353

Toro 92791

Washer-Lock

$

$

Currently unavailable

354

$

$

Currently unavailable

355

Toro 66554

Collar-Insulating

$

$

Currently unavailable

356

Toro 391602

Wire-Ground

$

$

Currently unavailable

358

Toro 393411

Gasket Set

$

$

Currently unavailable

363

Toro 19203

Puller-Flywheel

$

$

Currently unavailable

422

Toro 222502

Clamp-Oil Filler Tube

$

$

Currently unavailable

455

Toro 222561

Cup-Flywheel

$

$

Currently unavailable

468

Toro 222562

Screen-Flush Rotating

$

$

Currently unavailable

523

Toro 391841

Cap-Dipstick-Oil Filler

$

$

Currently unavailable

524

Toro 68838

Seal-Fill Tube

$

$

Currently unavailable

525

Toro 280134

Tube-Oil Filler

$

$

Currently unavailable

552

Toro 231055

Bushing-Gov. Crank
(Superseded to 743457)

$

$

Not available

562

Toro 92613

Bolt

$

$

Currently unavailable

590

Toro 93226

Screw-Hex Head

$

$

Currently unavailable

592

Toro 231082

Nut (Governor Control Lever)

$

$

Currently unavailable

614

Toro 93306

Pin-Cotter

$

$

Currently unavailable

615

Toro 93307

Retainer-Ring

$

$

Currently unavailable

635

Toro 66538

Boot-Plug, Spark

$

$

Currently unavailable

645

Toro 23513

Bushing-Plunger

$

$

Currently unavailable

657

Toro 93496

Screw

$

$

Currently unavailable

663

Toro 93572

Screw

$

$

Currently unavailable

670

Toro 231039

Spacer-Control Bracket Mtg.

$

$

Currently unavailable

729

Toro 221907

CIip-Wire

$

$

Currently unavailable

741

Toro 261196

Gear-Wire

$

$

Currently unavailable

757

Toro 211675

Link-Counterweight

$

$

Currently unavailable

758

Toro 391373

Counterweight

$

$

Currently unavailable

759

Toro 298909

Pin Ass-y-Piston

$

$

Currently unavailable

761

Toro 93875

Screw

$

$

Currently unavailable

842

Toro 270920

O-Ring

$

$

Currently unavailable

847

Toro 392067

Fill Group-Oil

$

$

Currently unavailable

851

Toro 221798

Terminal-Cable

$

$

Currently unavailable

869

Toro 261463

Seat-Intake Valve

$

$

Currently unavailable

870

Toro 210940

Seat-Exhaust Valve

$

$

Currently unavailable

871

Toro 230881

Guide-Exhaust Valve

$

$

Currently unavailable

883

Toro 270917

Gasket Exhaust

$

$

Currently unavailable