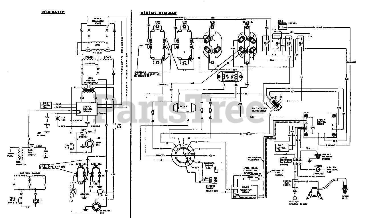
580.676550 (0567-0) - Craftsman 5,500 Watt Portable Generator Wiring Diagram Parts Diagram

5,500 Watt Portable Generator

Wiring Diagram Parts Diagram

  • Title