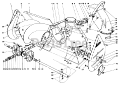
59160 - Toro 36" Snow Thrower (SN: 004000001 - 004999999) (1984) Parts & Diagrams Parts Lists & Diagrams

36" Snow Thrower

59160 - Toro 36" Snow Thrower (SN: 004000001 - 004999999) (1984) > Parts Diagrams (4)