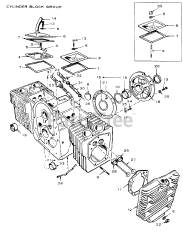
61-16OS02 (D-160) - Toro Lawn Tractor (1976) Parts & Diagrams Parts Lists & Diagrams

Lawn Tractor