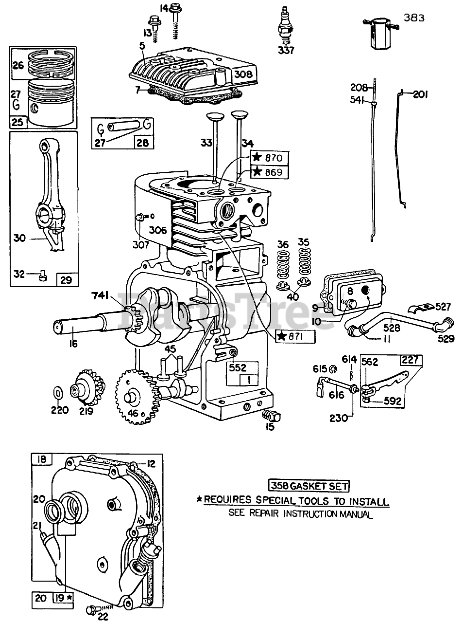
62912 - Toro Lawn Vacuum, 5hp (SN: 007000001 - 007999999) (1987) Engine Briggs Strattonmodel No. 130202-1640-01 Parts Diagram

Lawn Vacuum, 5hp

Engine Briggs Strattonmodel No. 130202-1640-01 Parts Diagram

  • Title
1

Toro 395990

Cylinder Assembly

$

$

Currently unavailable

5

Toro 211542

Head-Cylinder

$

$

Currently unavailable

7

*270383 Gasket-Cylinder Head

Note: Included in Gasket Set-Part No. 397145

$

$

Not available

8

Toro 294178

Breather-Valve Chamber

$

$

Currently unavailable

9

*27549 Gasket-Valve Cover

Note: Included in Gasket Set-Part No. 397145

$

$

Not available

10

Toro 93394

Screw

$

$

Currently unavailable

11

Toro 66578

Grommet

$

$

Currently unavailable

12

*270080 Gasket-Crankcase-.015" thick (Std.)

Note: Included in Gasket Set-Part No. 397145

$

$

Not available

Toro 270125

Gasket (.015")

Note: Included in Gasket Set-Part No. 397145

$

$

Currently unavailable

Toro 270126

Gasket (.009")

Note: Included in Gasket Set-Part No. 397145

$

$

Currently unavailable

13

Toro 93368

Screw-Cylinder Head

Note: Note: 391608 Bracket-Mtg. Furnished by equipment manufacturer

$

$

Currently unavailable

14

Toro 93369

Screw-Cylinder Head

$

$

Currently unavailable

15

Toro 91249

Plug-Pipe

$

$

Currently unavailable

16

Toro 397085

Crankshaft

Note: Note: To Replace Crankshaft Gear Pin, Order Part No. 230978 Used Only With Crankshaft With Loose Gear.

$

$

Currently unavailable

18

Toro 297602

Cover Assy.-Crankcase

$

$

Currently unavailable

19

Toro 297603

Bushing-Crankcase Cover

Note: Note: Requires special tools for installation.

$

$

Currently unavailable

20

Toro 294606

Seal-Oil

$

$

Currently unavailable

21

Toro 66768

Plug-Oil

$

$

Currently unavailable

22

Toro 93032

Screw

$

$

Currently unavailable

25

Toro 298904

Piston Assy.-Std.

$

$

Currently unavailable

Toro 298905

Piston Assy.-010"O.S.

$

$

Currently unavailable

Toro 298906

Piston Assy.-020"O.S.

$

$

Currently unavailable

Toro 298907

Piston Assy. .030" O.S.

$

$

Currently unavailable

26

Toro 298982

Ring Set (Std.)

$

$

Currently unavailable

Toro 298983

Ring Set (.010" O.S.)

$

$

Currently unavailable

Toro 298984

Ring Set (.020" O.S.)

$

$

Currently unavailable

Toro 298985

Lock-Piston Pin

$

$

Currently unavailable

27

Toro 26026

Iock-Piston Pin

$

$

Currently unavailable

28

Toro 298909

Pin Ass-y-Piston

$

$

Currently unavailable

Toro 298908

Pin-Piston (.005 Undersize)

$

$

Currently unavailable

29

Toro 299430

Rod Assy.-Connecting

Note: Note: For Connecting Rod with .020" undersize Crankpin Bore-Order No. 390459.

$

$

Currently unavailable

30

Toro 221890

Dipper-Conn. Rod

$

$

Currently unavailable

32

Toro 92296

Screw, Conn.Rod

$

$

Currently unavailable

33

Toro 211119

Valve Exhaust

$

$

Currently unavailable

34

Toro 261044

Valve-Intake

$

$

Currently unavailable

35

Toro 260552

Spring-Valve

$

$

Currently unavailable

36

Toro 26478

1531A GIL 3 1/2HP T

$3.49

$

Usually ships in 3-6 days

0

40

Toro 93312

Gear-Cam

$

$

Currently unavailable

45

Toro 260642

Tappet-Valve

$

$

Currently unavailable

46

Toro 211117

Gear Cam

$

$

Currently unavailable

201

Toro 261558

Link-Governor

$

$

Currently unavailable

208

Toro 230946

Rod-Control

$

$

Currently unavailable

219

Toro 391737

Gear Governor

$

$

Currently unavailable

220

Toro 221551

Washer-Thrust

$

$

Currently unavailable

227

Toro 393920

Lever Assembly

$

$

Currently unavailable

230

Toro 222450

DISCONTINUE-DESA

$

$

Not available

306

Toro 221511

Shield-Cylinder

$

$

Currently unavailable

307

Toro 93042

Screw

$

$

Currently unavailable

308

Toro 221512

Cover Cylinder Head

$

$

Currently unavailable

337

Toro 293918

Plug-Spark

$

$

Currently unavailable

358

Toro 397145

Gasket Set

$

$

Currently unavailable

383

Toro 89838

Wrench-Plug, Spark

$

$

Currently unavailable

527

Toro 221514

Clamp, BreatherTube

$

$

Currently unavailable

528

Toro 231328

Tube-Breather

$

$

Not available

529

Toro 67838

Grommet

$

$

Currently unavailable

541

Toro 22398

Washer

$

$

Currently unavailable

552

Toro 231079

Bushing-Governor

$

$

Currently unavailable

562

Toro 92613

Bolt

$

$

Currently unavailable

592

Toro 231082

Nut (Governor Control Lever)

$

$

Currently unavailable

614

Toro 93306

Pin-Cotter

$

$

Currently unavailable

615

Toro 93307

Retainer-Ring

$

$

Currently unavailable

616

Toro 231077

Crank-Govemor

$

$

Currently unavailable

741

Toro 261696

Gear-Timing

$

$

Currently unavailable

869

Toro 211787

Seat-Int. Valve

$

$

Currently unavailable

870

Toro 211172

Seat-Ex. Valve

$

$

Currently unavailable

871

Toro 231348

Guide-Exhaust Valve
(Superseded to 706543)

$36.99

$

Usually ships in 3-6 days

0