My Account
Order Status
Contact Us
ProAdvantage
About Us
Reviews
Help
Privacy Policy
Terms & Conditions
0
Part#
$
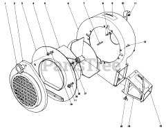
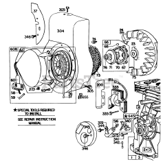
Lawn Blower, 5hp