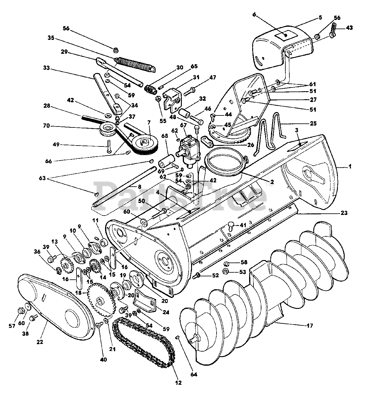
63711 - Lawn-Boy 36" Snow Thrower Attachment (SN: J00000001 - J99999999) (1990) COLLECTOR HOUSING PARTS LIST-36" SNOWTHOWER Parts Diagram

36" Snow Thrower Attachment

COLLECTOR HOUSING PARTS LIST-36" SNOWTHOWER Parts Diagram

  • Title
1

Lawn-Boy 740996

Collector Housing Ass'y. w/Decals

Note: NOTE: All assemblies that list decals have only operational, instructional and safety decals. Other kinds of decals must be ordered separately.

$

$

Not available

2

Lawn-Boy 702871

Chute Collar

Note: NOTE: All assemblies that list decals have only operational, instructional and safety decals. Other kinds of decals must be ordered separately. Chute Collar is integral part of Collector Housing Assembly and is included when complete assembly (Ref. No.1) is ordered. Replacement of collar requires c

$

$

Not available

3

Lawn-Boy 702759

Decal-Warning

Note: NOTE: All assemblies that list decals have only operational, instructional and safety decals. Other kinds of decals must be ordered separately.

$

$

Not available

4

Lawn-Boy 700147

Decal-Danger

Note: NOTE: All assemblies that list decals have only operational, instructional and safety decals. Other kinds of decals must be ordered separately.

$

$

Not available

5

Lawn-Boy 740995

Chute Deflector & Decal Ass'y

Note: NOTE: All assemblies that list decals have only operational, instructional and safety decals. Other kinds of decals must be ordered separately.

$

$

Not available

6

Lawn-Boy 702758

Decal-Danger
(Superseded to 94-8079)

Note: NOTE: All assemblies that list decals have only operational, instructional and safety decals. Other kinds of decals must be ordered separately.

$12.99

$

Usually ships in 3-6 days

0

7

Lawn-Boy 702959

Pulley, 4 1/2" Diameter

Note: NOTE: All assemblies that list decals have only operational, instructional and safety decals. Other kinds of decals must be ordered separately.

$

$

Not available

8

Lawn-Boy 702969

Output Shaft

Note: NOTE: All assemblies that list decals have only operational, instructional and safety decals. Other kinds of decals must be ordered separately.

$

$

Not available

9

Lawn-Boy 700083

Flangette Stamping

Note: NOTE: All assemblies that list decals have only operational, instructional and safety decals. Other kinds of decals must be ordered separately.

$5.99

$

Usually ships in 3-6 days

0

10

Lawn-Boy 700542

Bearing

Note: NOTE: All assemblies that list decals have only operational, instructional and safety decals. Other kinds of decals must be ordered separately.

$

$

Not available

11

Lawn-Boy 701658

Collar w/Setscrews

Note: NOTE: All assemblies that list decals have only operational, instructional and safety decals. Other kinds of decals must be ordered separately.

$37.99

$

Usually ships in 3-6 days

0

12

Lawn-Boy 741028

Chain

Note: NOTE: All assemblies that list decals have only operational, instructional and safety decals. Other kinds of decals must be ordered separately.

$

$

Not available

13

Lawn-Boy 741027

Sprocket

Note: NOTE: All assemblies that list decals have only operational, instructional and safety decals. Other kinds of decals must be ordered separately.

$

$

Not available

14

Lawn-Boy 702949

Idler Sprocket

Note: NOTE: All assemblies that list decals have only operational, instructional and safety decals. Other kinds of decals must be ordered separately.

$

$

Not available

15

Lawn-Boy 702813

Spacer

Note: NOTE: All assemblies that list decals have only operational, instructional and safety decals. Other kinds of decals must be ordered separately.

$

$

Not available

16

Lawn-Boy 702963

Strip

Note: NOTE: All assemblies that list decals have only operational, instructional and safety decals. Other kinds of decals must be ordered separately.

$

$

Not available

17

Lawn-Boy 741025

Auger

Note: NOTE: All assemblies that list decals have only operational, instructional and safety decals. Other kinds of decals must be ordered separately.

$

$

Not available

18

Lawn-Boy 741024

Sprocket

Note: NOTE: All assemblies that list decals have only operational, instructional and safety decals. Other kinds of decals must be ordered separately.

$

$

Not available

19

Lawn-Boy 702940

Bearing

Note: NOTE: All assemblies that list decals have only operational, instructional and safety decals. Other kinds of decals must be ordered separately.

$

$

Not available

20

Lawn-Boy 702941

Flangette Stamping

Note: NOTE: All assemblies that list decals have only operational, instructional and safety decals. Other kinds of decals must be ordered separately.

$

$

Not available

21

Lawn-Boy 702948

Washer

Note: NOTE: All assemblies that list decals have only operational, instructional and safety decals. Other kinds of decals must be ordered separately.

$

$

Not available

22

Lawn-Boy 702946

Drive Cover

Note: NOTE: All assemblies that list decals have only operational, instructional and safety decals. Other kinds of decals must be ordered separately.

$

$

Not available

23

Lawn-Boy 702962

Scraper Blade

Note: NOTE: All assemblies that list decals have only operational, instructional and safety decals. Other kinds of decals must be ordered separately.

$

$

Not available

24

Lawn-Boy 702947

Skid

Note: NOTE: All assemblies that list decals have only operational, instructional and safety decals. Other kinds of decals must be ordered separately.

$64.99

$

Usually ships in 3-6 days

0

25

Lawn-Boy 702894

Discharge Guard

Note: NOTE: All assemblies that list decals have only operational, instructional and safety decals. Other kinds of decals must be ordered separately.

$

$

Not available

26

Lawn-Boy 702896

Retainer

Note: NOTE: All assemblies that list decals have only operational, instructional and safety decals. Other kinds of decals must be ordered separately.

$23.99

$

Usually ships in 3-6 days

0

27

Lawn-Boy 741000

Discharge Chute

Note: NOTE: All assemblies that list decals have only operational, instructional and safety decals. Other kinds of decals must be ordered separately.

$

$

Not available

28

Lawn-Boy 702926

V-Belt (Secondary)

Note: NOTE: All assemblies that list decals have only operational, instructional and safety decals. Other kinds of decals must be ordered separately.

$

$

Not available

29

Lawn-Boy 741036

Worm Shaft

Note: NOTE: All assemblies that list decals have only operational, instructional and safety decals. Other kinds of decals must be ordered separately.

$

$

Not available

30

Lawn-Boy 700058

Worm Gear

Note: NOTE: All assemblies that list decals have only operational, instructional and safety decals. Other kinds of decals must be ordered separately.

$

$

Not available

31

Lawn-Boy 700086

Worm Support

Note: NOTE: All assemblies that list decals have only operational, instructional and safety decals. Other kinds of decals must be ordered separately.

$

$

Not available

32

Lawn-Boy 700052

Spacer-Worm Support

Note: NOTE: All assemblies that list decals have only operational, instructional and safety decals. Other kinds of decals must be ordered separately.

$

$

Not available

33

Lawn-Boy 741034

Idler Arm Assembly w/Bushings

Note: NOTE: All assemblies that list decals have only operational, instructional and safety decals. Other kinds of decals must be ordered separately.

$

$

Not available

34

Lawn-Boy 701234

Bushing

Note: NOTE: All assemblies that list decals have only operational, instructional and safety decals. Other kinds of decals must be ordered separately.

$5.99

$

Usually ships in 3-6 days

0

35

Lawn-Boy 702978

Spring-Idler

Note: NOTE: All assemblies that list decals have only operational, instructional and safety decals. Other kinds of decals must be ordered separately.

$

$

Not available

36

Lawn-Boy 700097

Snap Ring

Note: NOTE: All assemblies that list decals have only operational, instructional and safety decals. Other kinds of decals must be ordered separately.

$1.49

$

Usually ships in 3-6 days

0

37

Lawn-Boy 700319

Snap Ring

Note: NOTE: All assemblies that list decals have only operational, instructional and safety decals. Other kinds of decals must be ordered separately.

$

$

Not available

38

Lawn-Boy 700094

Lock Screw
(Superseded to 112-0167)

Note: NOTE: All assemblies that list decals have only operational, instructional and safety decals. Other kinds of decals must be ordered separately.

$6.49

$

In Stock, only 4 left!

0

39

Lawn-Boy 702938

Lock Screw

Note: NOTE: All assemblies that list decals have only operational, instructional and safety decals. Other kinds of decals must be ordered separately.

$

$

Not available

40

Lawn-Boy 702942

Flat Socket Hd. Screw

Note: NOTE: All assemblies that list decals have only operational, instructional and safety decals. Other kinds of decals must be ordered separately.

$

$

Not available

41

Lawn-Boy 146511

Wafer Hd. Bolt

Note: NOTE: All assemblies that list decals have only operational, instructional and safety decals. Other kinds of decals must be ordered separately.

$

$

Not available

42

Lawn-Boy 146304

Washer, Flat

Note: NOTE: All assemblies that list decals have only operational, instructional and safety decals. Other kinds of decals must be ordered separately.

$

$

Not available

43

Lawn-Boy 702895

Wing Nut

Note: NOTE: All assemblies that list decals have only operational, instructional and safety decals. Other kinds of decals must be ordered separately.

$

$

Not available

44

Lawn-Boy 702897

Screw, Self Tapping

Note: NOTE: All assemblies that list decals have only operational, instructional and safety decals. Other kinds of decals must be ordered separately.

$

$

Not available

45

Lawn-Boy 702898

Lock Washer, #6

Note: NOTE: All assemblies that list decals have only operational, instructional and safety decals. Other kinds of decals must be ordered separately.

$

$

Not available

46

Lawn-Boy 146377

Cap Screw, Hex Hd
(Superseded to 321-4)

Note: NOTE: All assemblies that list decals have only operational, instructional and safety decals. Other kinds of decals must be ordered separately.

$1.49

$

In Stock, Qty 20+

0

47

Lawn-Boy 146210

Cap Screw, Hex Hd

Note: NOTE: All assemblies that list decals have only operational, instructional and safety decals. Other kinds of decals must be ordered separately.

$

$

Not available

48

Lawn-Boy 146504

Cap Screw, Hex Hd

Note: NOTE: All assemblies that list decals have only operational, instructional and safety decals. Other kinds of decals must be ordered separately.

$

$

Not available

49

Lawn-Boy 700838

Cap Screw, Hex Hd
(Superseded to 323-11)

Note: NOTE: All assemblies that list decals have only operational, instructional and safety decals. Other kinds of decals must be ordered separately.

$2.49

$

In Stock, Qty 20+

0

50

Lawn-Boy 702966

Cap Screw, Hex Hd

Note: NOTE: All assemblies that list decals have only operational, instructional and safety decals. Other kinds of decals must be ordered separately.

$

$

Not available

51

Lawn-Boy 700031

Bolt, Carriage
(Superseded to 3231-1)

Note: NOTE: All assemblies that list decals have only operational, instructional and safety decals. Other kinds of decals must be ordered separately.

$1.49

$

In Stock, Qty 15

0

52

Lawn-Boy 700685

Bolt, Carriage

Note: NOTE: All assemblies that list decals have only operational, instructional and safety decals. Other kinds of decals must be ordered separately.

$

$

Not available

53

Lawn-Boy 146259

Nut, Hex

Note: NOTE: All assemblies that list decals have only operational, instructional and safety decals. Other kinds of decals must be ordered separately.

$

$

Not available

54

Lawn-Boy 146211

Nut, Hex

Note: NOTE: All assemblies that list decals have only operational, instructional and safety decals. Other kinds of decals must be ordered separately.

$3.49

$

Usually ships in 3-6 days

0

55

Lawn-Boy 146375

Nut, Hex Cone Lock

Note: NOTE: All assemblies that list decals have only operational, instructional and safety decals. Other kinds of decals must be ordered separately.

$2.49

$

Usually ships in 3-6 days

0

56

Lawn-Boy 700032

Nut, Hex Cone Lock

Note: NOTE: All assemblies that list decals have only operational, instructional and safety decals. Other kinds of decals must be ordered separately.

$

$

Not available

57

Lawn-Boy 700687

Nut, Hex Cone Lock

Note: NOTE: All assemblies that list decals have only operational, instructional and safety decals. Other kinds of decals must be ordered separately.

$

$

Not available

58

Lawn-Boy 146258

Washer, Spring Lock
(Superseded to 3253-4)

Note: NOTE: All assemblies that list decals have only operational, instructional and safety decals. Other kinds of decals must be ordered separately.

$0.99

$

In Stock, Qty 20+

0

59

Lawn-Boy 146260

Washer, Spring Lock

Note: NOTE: All assemblies that list decals have only operational, instructional and safety decals. Other kinds of decals must be ordered separately.

$

$

Not available

60

Lawn-Boy 146204

Washer, Flat

Note: NOTE: All assemblies that list decals have only operational, instructional and safety decals. Other kinds of decals must be ordered separately.

$

$

Not available

61

Lawn-Boy 700049

Washer, Flat

Note: NOTE: All assemblies that list decals have only operational, instructional and safety decals. Other kinds of decals must be ordered separately.

$

$

Not available

62

Lawn-Boy 701077

Key, Woodruff
(Superseded to 3257-32)

Note: NOTE: All assemblies that list decals have only operational, instructional and safety decals. Other kinds of decals must be ordered separately.

$2.99

$

In Stock, Qty 10

0

63

Lawn-Boy 700081

Key, Woodruff
(Superseded to 3257-5)

Note: NOTE: All assemblies that list decals have only operational, instructional and safety decals. Other kinds of decals must be ordered separately.

$5.99

$

In Stock, Qty 10

0

64

Lawn-Boy 702965

Key, Woodruff

Note: NOTE: All assemblies that list decals have only operational, instructional and safety decals. Other kinds of decals must be ordered separately.

$

$

Not available

65

Lawn-Boy 700213

Roll Pin

Note: NOTE: All assemblies that list decals have only operational, instructional and safety decals. Other kinds of decals must be ordered separately.

$

$

Not available

66

Lawn-Boy 702964

Setscrew, Square Hd. Cup Pt

Note: NOTE: All assemblies that list decals have only operational, instructional and safety decals. Other kinds of decals must be ordered separately.

$

$

Not available

67

Lawn-Boy 741030

Gear Box, R.H

Note: NOTE: All assemblies that list decals have only operational, instructional and safety decals. Other kinds of decals must be ordered separately.

$

$

Not available

68

Lawn-Boy 702968

Coupling

Note: NOTE: All assemblies that list decals have only operational, instructional and safety decals. Other kinds of decals must be ordered separately.

$

$

Not available

69

Lawn-Boy 702967

Drive Pin, Grooved

Note: NOTE: All assemblies that list decals have only operational, instructional and safety decals. Other kinds of decals must be ordered separately.

$

$

Not available

70

Lawn-Boy 742512

Idler Pulley

Note: NOTE: All assemblies that list decals have only operational, instructional and safety decals. Other kinds of decals must be ordered separately.

$195.99

$

Usually ships in 3-6 days

0