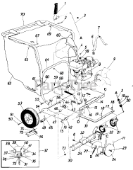
685 (245-685-100) - Cub Cadet Walk-Behind Blower (1985) Parts & Diagrams Parts Lists & Diagrams

Walk-Behind Blower

685 (245-685-100) - Cub Cadet Walk-Behind Blower (1985) > Parts Diagrams (2)