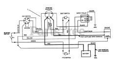
70040 (8-25) - Toro Rear-Engine Riding Mower (SN: 059000001 - 059999999) (1995) Parts & Diagrams Parts Lists & Diagrams

Rear-Engine Riding Mower