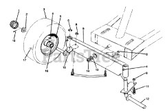
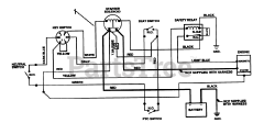
70060 (8-25) - Toro Rear-Engine Riding Mower (SN: 039000001 - 039999999) (1993) Parts & Diagrams Parts Lists & Diagrams

Rear-Engine Riding Mower