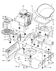
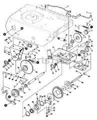
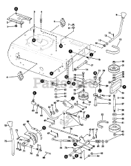
7011 - Lawn-Boy Walk-Behind Mower (SN: 900000001 - 999999999) (1969) Parts & Diagrams Parts Lists & Diagrams

Walk-Behind Mower

7011 - Lawn-Boy Walk-Behind Mower (SN: 900000001 - 999999999) (1969) > Parts Diagrams (68)