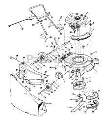
7064 - Lawn-Boy Walk-Behind Mower (SN: 100000001 - 199999999) (1971) Parts & Diagrams Parts Lists & Diagrams

Walk-Behind Mower

7064 - Lawn-Boy Walk-Behind Mower (SN: 100000001 - 199999999) (1971) > Parts Diagrams (60)