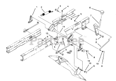
71191 (13-38 HXL) - Toro Lawn Tractor (SN: 049000001 - 049999999) (1994) Parts & Diagrams Parts Lists & Diagrams

Lawn Tractor