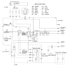
71212 (17-44 HXL) - Toro Lawn Tractor (SN: 200000001 - 200999999) (2000) Parts & Diagrams Parts Lists & Diagrams

Lawn Tractor