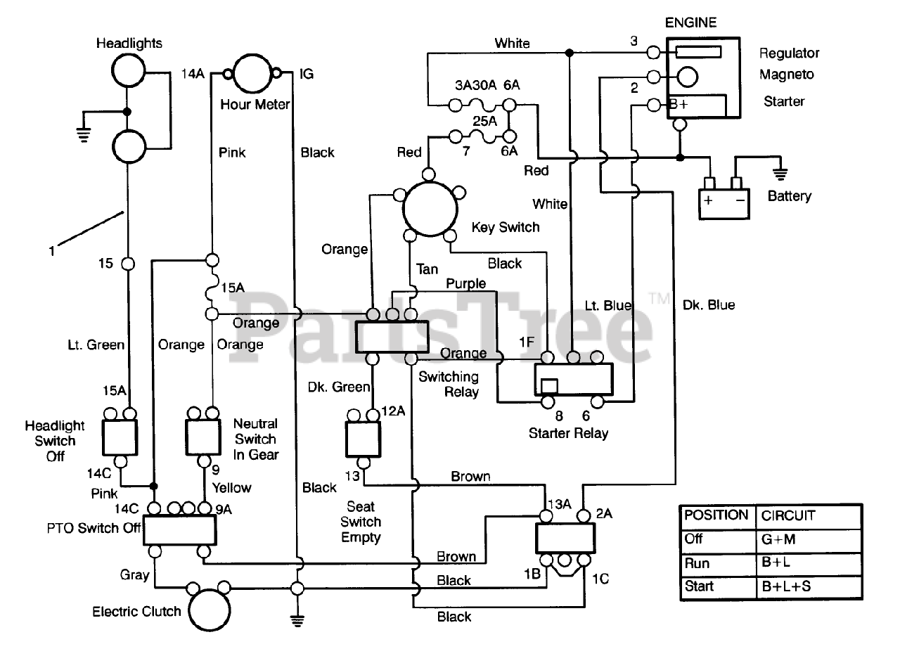
72040 (244-5) - Toro Yard Tractor (SN: 039000001 - 039999999) (1993) Electrical Schematic Parts Diagram

Yard Tractor

Electrical Schematic Parts Diagram

  • Title
1

Toro 92-2516

DISCONTINUED

$

$

Not available