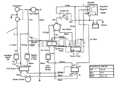
72041 (244-H) - Toro Yard Tractor (SN: 039000001 - 039999999) (1993) Parts & Diagrams Parts Lists & Diagrams

Yard Tractor