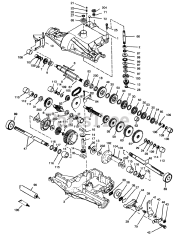
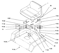
72062 (264-6) - Toro Yard Tractor (SN: 069000001 - 069999999) (1996) Parts & Diagrams Parts Lists & Diagrams

Yard Tractor