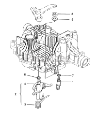
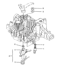
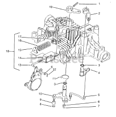
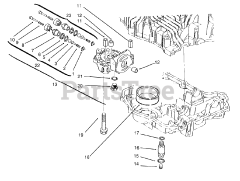
72084 (266-H) - Toro Yard Tractor (SN: 069000001 - 069999999) (1996) Parts & Diagrams Parts Lists & Diagrams

Yard Tractor

72084 (266-H) - Toro Yard Tractor (SN: 069000001 - 069999999) (1996) > Parts Diagrams (44)