72101 (246-H) - Toro Yard Tractor (SN: 039000001 - 039999999) (1993) Electrical Schematic Parts Diagram

Yard Tractor

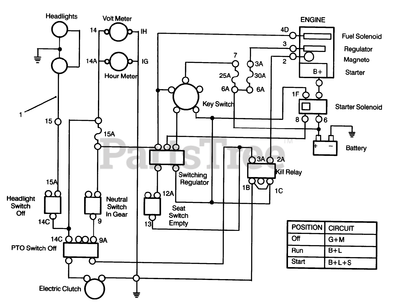
Electrical Schematic Parts Diagram

  • Title
1

Toro 92-1695

DISCONTINUED

$

$

Not available