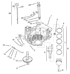
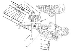
72110 (270-H) - Toro Lawn & Garden Tractor (SN: 089000001 - 089000599) (1998) Parts & Diagrams Parts Lists & Diagrams

Lawn & Garden Tractor