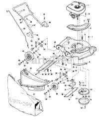
7266 - Lawn-Boy Walk-Behind Mower (SN: 800000001 - 899999999) (1978) Parts & Diagrams Parts Lists & Diagrams

Walk-Behind Mower

7266 - Lawn-Boy Walk-Behind Mower (SN: 800000001 - 899999999) (1978) > Parts Diagrams (34)