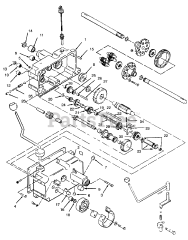
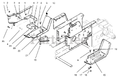
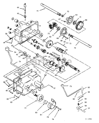
73362 (312-8) - Toro Garden Tractor (SN: 069000001 - 069999999) (1996) Parts & Diagrams Parts Lists & Diagrams

Garden Tractor