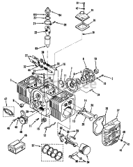
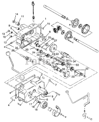
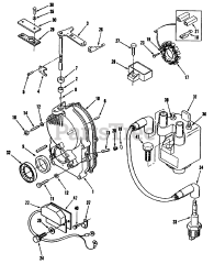
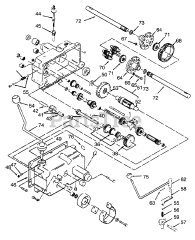
73420 (416-8) - Toro Garden Tractor (SN: 039000001 - 039999999) (1993) Parts & Diagrams Parts Lists & Diagrams

Garden Tractor