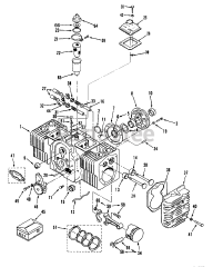
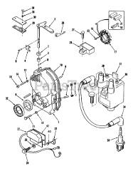
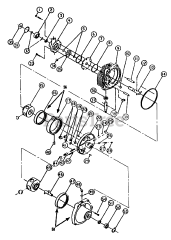
73421 (416-H) - Toro Garden Tractor (SN: 059000001 - 059001046) (1995) Parts & Diagrams Parts Lists & Diagrams

Garden Tractor