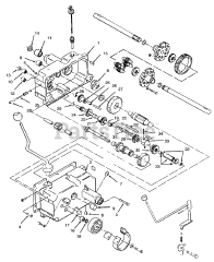
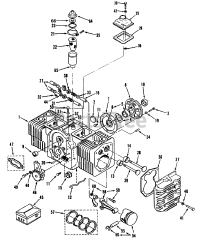
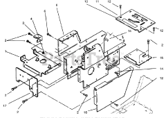
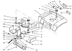
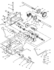
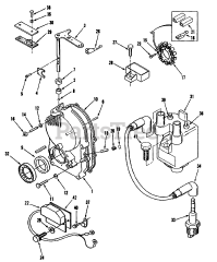
73440 (416-8) - Toro Garden Tractor (SN: 059000001 - 059000222) (1995) Parts & Diagrams Parts Lists & Diagrams

Garden Tractor