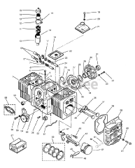
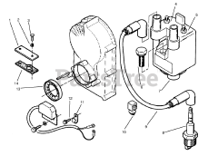
73441 (416-8) - Toro Garden Tractor (SN: 079000001 - 079999999) (1997) Parts & Diagrams Parts Lists & Diagrams

Garden Tractor