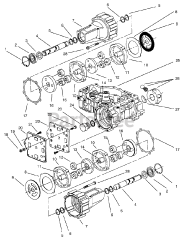
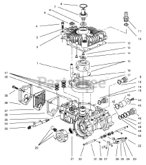
74101 (620-Z) - Toro Zero-Turn Mower, Drive Unit Only (SN: 039000001 - 039999999) (1993) Parts & Diagrams Parts Lists & Diagrams

Zero-Turn Mower, Drive Unit Only