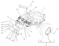
74259 (Z 288 E) - Toro 72" Z Master Zero-Turn Mower, Side-Discharge Deck (SN: 230000001 - 230999999) (2003) Parts & Diagrams Parts Lists & Diagrams

72" Z Master Zero-Turn Mower, Side-Discharge Deck