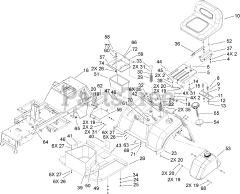
74592 (DH 220) - Toro Lawn Tractor (SN: 270000652 - 270999999) (2007) Parts & Diagrams Parts Lists & Diagrams

Lawn Tractor

74592 (DH 220) - Toro Lawn Tractor (SN: 270000652 - 270999999) (2007) > Parts Diagrams (41)