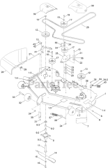
75755 W (MX 5075) - Toro 50" TimeCutter Zero-Turn Mower (SN: 400000000 - 407199999) Parts & Diagrams Parts Lists & Diagrams

50" TimeCutter Zero-Turn Mower