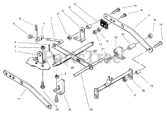
78350 - Toro 42" Rear-Discharge Mower Deck for 300 Series GT Tractors (SN: 312000001 - 312999999) (2012) Parts & Diagrams Parts Lists & Diagrams

42" Rear-Discharge Mower Deck for 300 Series GT Tractors

78350 - Toro 42" Rear-Discharge Mower Deck for 300 Series GT Tractors (SN: 312000001 - 312999999) (2012) > Parts Diagrams (5)