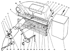
79080 - Toro 25" Twin Bagger for 8-25 Mower (SN: 069000001 - 069999999) (1996) Parts & Diagrams Parts Lists & Diagrams

25" Twin Bagger for 8-25 Mower

79080 - Toro 25" Twin Bagger for 8-25 Mower (SN: 069000001 - 069999999) (1996) > Parts Diagrams (1)