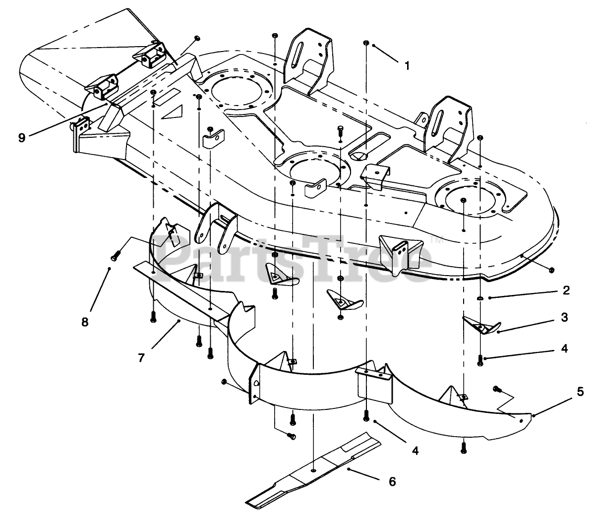
79185 - Toro 52" Recycler Kit Baffle Blade Assembly Parts Diagram

52" Recycler Kit

Baffle Blade Assembly Parts Diagram

  • Title
1

Toro 3296-29

NUT-LOCK, NI

$2.49

$

In Stock, Qty 20+

0

2

Toro 59-4310

SPACER

$0.99

$

Usually ships in 3-6 days

0

3

Toro 84-5760

PLATE-KICKER

$16.99

$

Usually ships in 3-6 days

0

4

Toro 322-5

SCREW-HH

$0.99

$

In Stock, Qty 19

0

5

Toro 94-2505-03

LEFT BAFFLE ASM

$

$

Not available

6

Toro 92-7961

See Supercession: 92-7961-03
(Superseded to 92-7961-03)

$42.99

$

In Stock, only 3 left!

0

7

Toro 94-2504-03

RIGHT BAFFLE ASM

$

$

Not available

8

Toro 322-2

SCREW-HH

$2.99

$

In Stock, only 4 left!

0

9

Toro 94-4943

DECAL-DECK

$

$

Not available